內置折返式限流電路的線性穩壓器在啟動前被施加恒流負載時,可能會出現無法啟動的故障。
內置折返式限流電路的線性穩壓器的這種故障可以通過使用具有電流下垂特性的過電流保護電路的線性穩壓器來解決。
如果因恒流負載而使電流流過在IC的輸出引腳和接地之間的ESD保護二極管或寄生二極管,則IC可能會劣化甚至損壞,因此需要在IC的輸出引腳和接地之間連接肖特基勢壘二極管來進行保護。
案例:恒流負載導致的啟動故障
內置折返式限流電路的線性穩壓器IC,在IC啟動前輸出端被施加恒流負載時,可能會出現無法啟動的問題。
正常負載 (電阻、電容) 時的啟動時序
圖1是電流折返特性示例。當IC的輸出處于過負載狀態、輸出電流達到限值時,通過使輸出電流限制線性降低的方式來降低輸出電壓,將IC的功耗保持在限制范圍內,從而實現保護。
由于折返式電流限制功能在啟動時也起作用,因此IC的啟動將遵循其折返特性。首先,我們使用圖1和圖2來介紹輸出負載為正常的電阻或電容時的啟動時序。圖2為電路的啟動波形,其中穩壓器輸出端連接了100μF的電容器,以及5V時流過500mA的輸出(負載)電流的電阻負載。兩個圖中的(A)~(E)分別表示相同的時間點。


在供給VCC之前的時間點,輸出電壓和輸出電流均為零。IC從被供給VCC的(A)時間點開始啟動,輸出開始上升。由于輸出端連接著100μF的輸出電容器,所以輸出電流因電容器充電而急劇增加。這種電流被稱為“浪涌電流”,如果不加以限制,可能會導致瞬間流過極限大電流。在該示例中,如圖所示,電流被限制在300mA左右。
之后,輸出電流沿折返曲線呈線性增加,并逐漸對輸出電容器進行充電,輸出電壓也隨之沿折返曲線上升,并按照 (B) 點、(C)點、(D)點推移。
在(D)點,輸出電容器的充電基本完成,輸出電壓達到設定值,輸出電流也進入穩定狀態。
在(E)點,輸出電壓充分上升并達到穩定狀態,輸出電流達到正常負載500mA。
這樣,具有折返式限流電路的線性穩壓器從零點開始,沿著折返曲線啟動。如果負載是電阻或電容,在啟動時可能會受到電流限制,但只要有電流提供給輸出端,輸出電壓就一定會上升。
恒流負載的情況
接下來,我們來介紹一下恒流負載的情況。如果在IC啟動前對輸出施加恒流負載,那么電流會流過IC輸出引腳和接地之間的二極管,就會產生正向電壓,所以輸出引腳電壓為-1VF (約-0.7V)。該二極管是IC內置的ESD保護二極管或結構上存在的寄生二極管(圖3)。


例如,假設恒流負載為500mA。圖4中的(A)點是IC開始啟動的點,如前所述,由于恒流負載,輸出電壓為負。當IC啟動時,輸出電流開始流動,但由于輸出電壓為-0.7V,因此供電電流小于0V時的供電電流,在本例中約為200mA。由于負載是500mA的恒流負載,所以輸出電壓僅憑200mA的供電電流無法上升,在(B)點處于鎖存狀態,輸出電壓無法上升,即發生啟動故障。
如果在IC已經完成啟動并且輸出電壓已達到設定電壓的狀態下連接恒流負載,就可以繼續運行。這是因為IC已經處于穩定狀態,在本例中則可以充分提供500mA的電流。但是,一旦輸出短路(變為0V),就會回到圖4中的(A)點,所以會處于前述的在啟動前施加恒流負載時發生的狀態,同樣會出現啟動故障。
作為這種故障的對策,可以選用啟動時IC能夠提供的輸出電流值大于恒流負載值的IC。
然而,對于具有折返式限流電路的線性穩壓器而言,由于其特性,在0V輸出時可以供給的電流值被設置得很小,在很多情況下并不能保證電流值。因此,如果要在啟動前施加恒流負載的條件下使用時,可使用過電流保護電路具有電流下垂特性的線性穩壓器來解決這個問題。如圖5所示,電流下垂型特性在0V輸出時可供給的電流值接近于最大輸出電流,因此即使有恒流負載也能正常啟動。


圖5. 過電流保護電路的
電流下垂特性示例
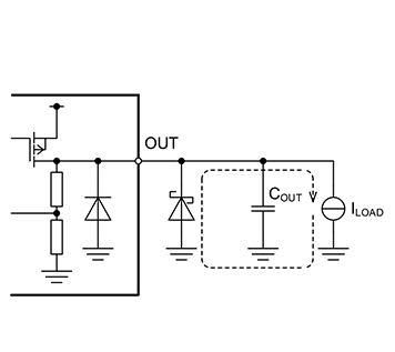
圖6. 輸出引腳的
反向電壓保護
雖然與處理啟動故障并沒有直接關系,但是還是要提醒一下:如果恒流負載使IC的輸出引腳和接地之間的ESD保護二極管或寄生二極管中流過電流,可能會導致元器件劣化或損壞。要想防止這種情況,可以在輸出引腳和接地之間連接肖特基勢壘二極管(參見圖6)。

〈烜芯微/XXW〉專業制造二極管,三極管,MOS管,橋堆等,20年,工廠直銷省20%,上萬家電路電器生產企業選用,專業的工程師幫您穩定好每一批產品,如果您有遇到什么需要幫助解決的,可以直接聯系下方的聯系號碼或加QQ/微信,由我們的銷售經理給您精準的報價以及產品介紹

〈烜芯微/XXW〉專業制造二極管,三極管,MOS管,橋堆等,20年,工廠直銷省20%,上萬家電路電器生產企業選用,專業的工程師幫您穩定好每一批產品,如果您有遇到什么需要幫助解決的,可以直接聯系下方的聯系號碼或加QQ/微信,由我們的銷售經理給您精準的報價以及產品介紹
聯系號碼:18923864027(同微信)
QQ:709211280

