SMBJ5333B,SMBJ5333B穩壓二極管,3.3V 5W二極管參數規格書
SMBJ5333B穩壓二極管,SMBJ5333B為3.3V 5W的穩壓二極管,SMBJ5333B參數,SMBJ5333B封裝規格書
SMBJ5333B穩壓二極管,SMBJ5333B為3.3V 5W的穩壓二極管,SMBJ5333B參數,SMBJ5333B封裝規格書

SMBJ5333B DO-214AA/SMB參數封裝:點擊查看

SMBJ5333B封裝有DO-214AC(SMA)/DO-214AA(SMB)
SMBJ5333B穩壓二極管參數如下:
Power Dissipation 功率 PD:5W
Zener Voltage Range 齊納電壓 Nom:3.3V
Zener Voltage Range 穩壓電流值 IZT:380mA
Dynamic Impedance 動態阻抗:ZZT(at IZT) Max:3Ω
Forward Voltage 正向電壓 VF:1.2V
Reverse Leakage Current 反向漏電流 IR:300μA
Operating and Storage Temperature Range 操作和儲存溫度范圍 Tj, TSTG:-65to+150℃
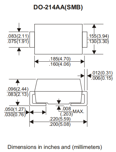
SMBJ5333B穩壓二極管DO-214AA/SMB封裝尺寸:

SMBJ5333B穩壓二極管DO-214AC(SMA)封裝尺寸:

〈烜芯微/XXW〉專業制造二極管,三極管,MOS管,橋堆等,20年,工廠直銷省20%,上萬家電路電器生產企業選用,專業的工程師幫您穩定好每一批產品,如果您有遇到什么需要幫助解決的,可以直接聯系下方的聯系號碼或加QQ/微信,由我們的銷售經理給您精準的報價以及產品介紹
聯系號碼:18923864027(同微信)
QQ:709211280


