MOS管開關電路設計
MOSFET做開關管的知識:一般來講,三極管是電流驅動的,MOSFET是電壓驅動的,因為用CPLD來驅動這個開關,所以選擇用MOSFET做,這樣也可以節省系統功耗;
在做開關管時有一個必須注意的事項就是輸入和輸入兩端間的管壓降問題,比如一個5V的電源,經過管子后可能變為了4.5V,這時候要考慮負載能不能接受了;
有遇到過這樣的問題:就是負載的最小工作電壓就是5V了,經過管子后發現系統工作不起來,后來才想起來管子上占了一部分壓降了,類似的問題還有在使用二極管的時候(尤其是做電壓反接保護時)也要注意管子的壓降問題。
開關電路原則
a. BJT三極管 Transistors
只要發射極e 對電源短路 就是電子開關用法
N管 發射極E 對電源負極短路. (搭鐵) 低邊開關 ;b-e 正向電流 飽和導通
P管 發射極E 對電源正極短路. 高邊開關 ;b-e 反向電流 飽和導通
b. FET場效應管 MOSFET
只要源極S 對電源短路 就是電子開關用法
N管 源極S 對電源負極短路.(搭鐵) 低邊開關;柵-源 正向電壓 導通
P管 源極S 對電源正極短路. 高邊開關;柵-源 反向電壓 導通
總結:
低邊開關用 NPN 管
高邊開關用 PNP 管
三極管 b-e 必須有大于 C-E 飽和導通的電流
場效應管理論上柵-源有大于 漏-源導通條件的電壓就OK
假如原來用 NPN 三極管作 ECU 氧傳感器 加熱電源控制低邊開關
則直接用 N-Channel 場效應管代換;或看情況修改 下拉或上拉電阻
基極--柵極
集電極--漏極
發射極--源極

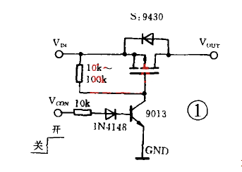
開關電路圖
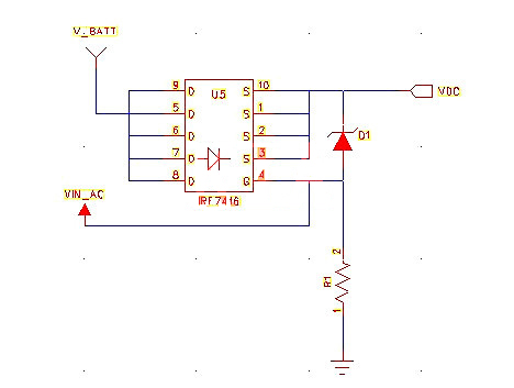
PMOSFET構成的電源自動切換開關
在需要電池供電的便攜式設備中,有的電池充電是在系統充電,即充電時電池不用拔下來。
另外為了節省功耗,需要在插入墻上適配器電源時,系統自動切換為適配器供電,斷開電池與負載的連接;如果拔掉適配器電源,系統自動切換為電池供電。本電路用一個PMOSFET構成這種自動切換開關。
圖中的V_BATT表示電池電壓,VIN_AC表示適配器電壓。當插入適配器電源時,VIN_AC電壓高于電池電壓(否則適配器電源就不能對電池充電),Vgs>0,MOSFET截止,系統由適配器供電。
拔去適配器電源,則柵極電壓為零,而與MOSFET封裝在一體的施特基二極管使源極電壓近似為電池電壓,導致Vgs小于Vgsth,MOSFET導通,從而系統由電池供電。

在選MOSFET開關時,首先選MOS管的VDS電壓,和其VGS開啟電壓,再就是ID電流值是否滿足系統需要,然后再考慮封裝,功耗,價格之類次要一些的因素了,以上是用P溝道MOS管做的例子,N溝道的其實也是基本上一樣用的。
〈烜芯微/XXW〉專業制造二極管,三極管,MOS管,橋堆等,20年,工廠直銷省20%,上萬家電路電器生產企業選用,專業的工程師幫您穩定好每一批產品,如果您有遇到什么需要幫助解決的,可以直接聯系下方的聯系號碼或加QQ/微信,由我們的銷售經理給您精準的報價以及產品介紹
電話:18923864027(同微信)
QQ:709211280
〈烜芯微/XXW〉專業制造二極管,三極管,MOS管,橋堆等,20年,工廠直銷省20%,上萬家電路電器生產企業選用,專業的工程師幫您穩定好每一批產品,如果您有遇到什么需要幫助解決的,可以直接聯系下方的聯系號碼或加QQ/微信,由我們的銷售經理給您精準的報價以及產品介紹

