通常,PWM型開關電源把輸出電壓的采樣作為PWM控制器的反饋電壓,該反饋電壓經PWM控制器內部的誤差放大器后,調整開關信號的占空比以實現輸出電壓的穩定。但不同的電壓反饋電路,其輸出電壓的穩定精度是不同的。本文首先對電流型脈寬控制器UC3842(內部電路圖如圖1所示)常用的三種穩定輸出電壓電路作了介紹,分析其各自的優缺點,在此基礎上設計了一種新的電壓反饋電路,實驗證明這種新的電路具有很好的穩壓效果。

圖1 UC3842電路結構圖
1.常用電壓反饋電路
1.1輸出電壓直接分壓作為誤差放大器的輸入
如圖2所示,輸出電壓Vo經R2及R4分壓后作為采樣信號,輸入UC3842腳2(誤差放大器的反向輸入端)。誤差放大器的正向輸入端接UC3842內部的2.5V的基準電壓。當采樣電壓小于2.5V時,誤差放大器正向和反向輸出端之間的電壓差經放大器放大后,調節輸出電壓,使得UC3842的輸出信號的占空比變大,輸出電壓上升,最終使輸出電壓穩定在設定的電壓值。R3與C1并聯構成電流型反饋。
這種電路的優點是采樣電路簡單,缺點是輸入電壓和輸出電壓必須共地,不能做到電氣隔離。勢必 引起電源布線的困難,而且電源工作在高頻開關狀態,容易引起電磁干擾,必然帶來電路設計的困難,所以這種方法很少使用。

圖2 輸出電壓直接分壓采樣
1.2輔助電源輸出電壓分壓作為誤差放大器的輸入
如圖3所示,當輸出電壓升高時,單端反激式變壓器T的輔助繞組上產生的感應電壓也升高,該電壓經過D2,D3,C15,C14,C13和R15組成的整流、濾波和穩壓網絡后得到一直流電壓,給UC3842供電。同時該電壓經R2及R4分壓后作為采樣電壓,送入UC3842的腳2,在與基準電壓比較后,經誤差放大器放大,使腳6輸出脈沖的占空比變小,輸出電壓下降,達到穩壓的目的。同樣,當輸出電壓降低時,使腳6輸出脈沖的占空比變大,輸出電壓上升,最終使輸出電壓穩定在設定的值。

圖3 輔助電源輸出電壓分壓采樣
這種電路的優點是采樣電路簡單,副邊繞組、原邊繞組和輔助繞組之間沒有任何的電氣通路,容易布線。缺點是并非從副邊繞組直接得到采樣電壓,穩壓效果不好,實驗中發現,當電源的負載變化較大時,基本上不能實現穩壓。該電路適用于針對某種固定負載的情況。
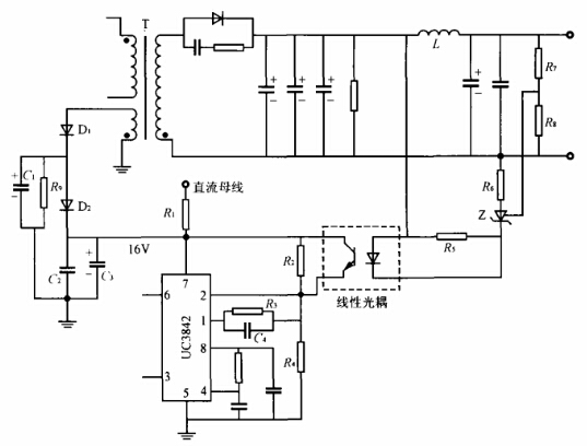
1.3采用線性光耦改變誤差放大器的輸入誤差電壓
如圖4所示,該開關電源的電壓采樣電路有兩路:一是輔助繞組的電壓經D1,D2,C1,C2,C3,R9組成的整流、濾波和穩壓后得到16V的直流電壓給UC3842供電,另外,該電壓經R2及R4分壓后得到一采樣電壓,該路采樣電壓主要反映了直流母線電壓的變化;另一路是光電耦合器、三端可調穩壓管Z和R4,R5,R6,R7,R8組成的電壓采樣電路,該路電壓反映了輸出電壓的變化;當輸出電壓升高時,經電阻R7及R8分壓后輸入Z的參考電壓也升高,穩壓管的穩壓值升高,流過光耦中發光二極管的電流減小,流過光耦中的光電三極管的電流也相應的減小,誤差放大器的輸入反饋電壓降低,導致UC3842腳6輸出驅動信號的占空比變小,于是輸出電壓下降,達到穩壓的目的。

圖4 采用輔助電源采樣和光耦采樣綜合
該電路因為采用了光電耦合器,實現了輸出和輸入的隔離,弱電和強電的隔離,減少了電磁干擾,抗干擾能力較強,而且是對輸出電壓采樣,有很好的穩壓性能。缺點是外接元器件增多,增加了布線的困難,增加了電源的成本。
2.實驗與結果
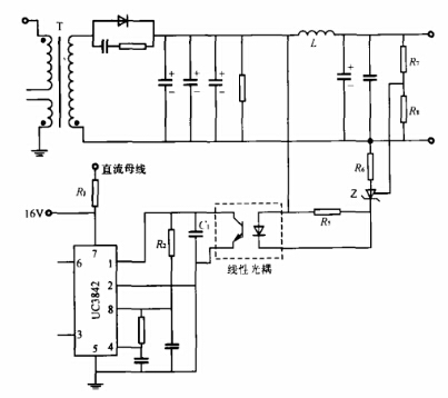
2.1采用線性光耦改變誤差放大器的增益
如圖5所示,該電壓采樣及反饋電路由R2,R5,R6,R7,R8,C1,光電耦合器、三端可調穩壓管Z組成。當輸出電壓升高時,輸出電壓經R7及R8分壓得到的采樣電壓(即Z的參考電壓)也升高,Z的穩壓值也升高,流過光耦中發光二極管中的電流減小,導致流過光電三極管中的電流減小,相當于C1并聯的可變電阻的阻值變大(該等效電阻的阻值受流過發光二極管電流的控制),誤差放大器的增益變大,導致UC3842腳6輸出驅動信號的占空比變小,輸出電壓下降,達到穩壓的目的。當輸出電壓降低時,誤差放大器的增益變小,輸出的開關信號占空比變大,最終使輸出電壓穩定在設定的值。因為,UC3842的電壓反饋輸入端腳2接地,所以,誤差放大器的輸入誤差總是固定的,改變的是誤差放大器的增益(可將線性光耦中的光電三極管視為一可變電阻),其等效電路圖如圖6所示。

圖5 采用光耦改變誤差放大器的增益

圖6 改變誤差放大器增益的等效電路
該電路通過調節誤差放大器的增益而不是調節誤差放大器的輸入誤差來改變誤差放大器的輸出,從而改變開關信號的占空比。這種拓撲結構不僅外接元器件較少,而且在電壓采樣電路中采用了三端可調穩壓管,使得輸出電壓在負載發生較大的變化時,輸出電壓基本上沒有變化。實驗證明與上述三種反饋電路相比,該電路具有很好的穩壓效果。
2.2實驗結果
將這種新的采用線性光耦改變誤差放大器增益的電壓反饋電路,用于一48V/12V的單端反激式DC/DC開關電源(最大輸出電流5A),顯示該電源輸出電壓穩定,帶負載能力強。圖7(a)-(h)分別給出了當負載為100Ω,25Ω,10Ω,3Ω時的輸出電壓和驅動波形,從波形可以看出,當負載電流逐漸增大時,驅動信號的占空比相應增大,但輸出電壓始終穩定在12.16V。

圖7 不同負載時的輸出電壓和驅動波形
結語
在單端隔離式PWM型電源中,電流型脈寬調制器UC3842有著廣闊的應用范圍,本文總結了采用線性光耦改變UC3842誤差放大器增益的電壓反饋電路設計。并通過實驗證明,新的電壓反饋電路使得穩壓精度高,負載適應性強。
電話:18923864027(同微信)
QQ:709211280
〈烜芯微/XXW〉專業制造二極管,三極管,MOS管,橋堆等,20年,工廠直銷省20%,上萬家電路電器生產企業選用,專業的工程師幫您穩定好每一批產品,如果您有遇到什么需要幫助解決的,可以直接聯系下方的聯系號碼或加QQ/微信,由我們的銷售經理給您精準的報價以及產品介紹

