LM339集成塊內部裝有四個獨立的電壓比較器,設計用于在通帶內存在輸入信號時提供飽和的晶體管接地。采用C-14型封裝,圖1為外型及管腳排列圖。由于LM339使用靈活,應用廣泛,所以世界上各大IC生產廠、公司竟相推出自己的四比較器,如IR2339、ANI339、SF339等,它們的參數基本一致,可互換使用。

圖1 外型及管腳排列圖
1.單限比較器電路
圖2a給出了一個基本單限比較器。輸入信號Uin,即待比較電壓,它加到同相輸入端,在反相輸入端接一個參考電壓(門限電平)Ur。當輸入電壓Uin》Ur時,輸出為高電平UOH。圖2b為其傳輸特性。

圖2 單限比較器電路圖
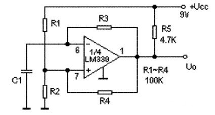
2.過熱檢測保護電路
它用單電源供電,1/4LM339的反相輸入端加一個固定的參考電壓,它的值取決于R1于R2。UR=R2/(R1+R2)*UCC。同相端的電壓就等于熱敏元件Rt的電壓降。當機內溫度為設定值以下時,“+”端電壓大于“-”端電壓,Uo為高電位。當溫度上升為設定值以上時,“-”端電壓大于“+”端,比較器反轉,Uo輸出為零電位,使保護電路動作,調節R1的值可以改變門限電壓,既設定溫度值的大小。

圖3 過熱檢測保護電路圖
3.遲滯比較器
遲滯比較器又可理解為加正反饋的單限比較器。前面介紹的單限比較器,如果輸入信號Uin在門限值附近有微小的干擾,則輸出電壓就會產生相應的抖動(起伏)。在電路中引入正反饋可以克服這一缺點。
圖4a給出了一個遲滯比較器,人們所熟悉的“史密特”電路即是有遲滯的比較器。圖4b為遲滯比較器的傳輸特性。

圖4 遲滯比較器電路圖
不難看出,當輸出狀態一旦轉換后,只要在跳變電壓值附近的干擾不超過ΔU之值,輸出電壓的值就將是穩定的。但隨之而來的是分辨率降低。因為對遲滯比較器來說,它不能分辨差別小于ΔU的兩個輸入電壓值。遲滯比較器加有正反饋可以加快比較器的響應速度,這是它的一個優點。除此之外,由于遲滯比較器加的正反饋很強,遠比電路中的寄生耦合強得多,故遲滯比較器還可免除由于電路寄生耦合而產生的自激振蕩。
4.電壓跳變點固定電路
如果需要將一個跳變點固定在某一個參考電壓值上,可在正反饋電路中接入一個非線性元件,如晶體二極管,利用二極管的單向導電性,便可實現上述要求。圖5為其原理圖。

圖5 電壓跳變點固定電路原理圖
5.過電壓檢測電路
圖6為某電磁爐電路中電網過電壓檢測電路部分。電網電壓正常時,1/4LM339的U42.8V,比較器翻轉,輸出為0V,BG1截止,U5的電壓就完全決定于R1與R2的分壓值,為2.7V,促使U4更大于U5,這就使翻轉后的狀態極為穩定,避免了過壓點附近由于電網電壓很小的波動而引起的不穩定的現象。由于制造了一定的回差(遲滯),在過電壓保護后,電網電壓要降到242-5=237V時,U4《U3,電磁爐才又開始工作。這正是我們所期望的。

圖6 某電磁爐電路中電網過電壓檢測電路部分圖
6.雙限比較器(窗口比較器)
圖7電路由兩個LM339組成一個窗口比較器。當被比較的信號電壓Uin位于門限電壓之間時(UR1<Uin<UR2),輸出為高電位(UO=UOH)。當Uin不在門限電位范圍之間時,(Uin>UR2或Uin<UR1)輸出為低電位(UO=UOL),窗口電壓ΔU=UR2-UR1。它可用來判斷輸入信號電位是否位于指定門限電位之間。

圖7 雙限比較器電路圖
7.用LM339組成振蕩器
圖8為有1/4LM339組成的音頻方波振蕩器的電路。改變C1可改變輸出方波的頻率。本電路中,當C1=0.1uF時。f=53Hz;當C1=0.01uF時,f=530Hz;當C1=0.001uF時,f=5300Hz。
LM339還可以組成高壓數字邏輯門電路,并可直接與TTL、CMOS電路接口。

圖8 音頻方波振蕩器電路圖
8.電燈雙穩態開關電路
電路見圖9所示。220V交流電經變壓器降壓、D1~D4整流、C1濾波后,獲得+11V直流電源。本雙穩態開關的核心器件是一片LM339(四電壓比較器),這里只使用其中的一個電壓比較器。接通電源后,+11v電源經繼電器線圈和R4使比較器的反向輸入端④腳置高電平,調可變電阻RP,使比較器的同向輸人端偏置在+3v左右,因④腳電壓高于⑤腳電壓,比較器輸出低電平,三極管vT截止,繼電器不工作,電燈L不亮。同時,電容c2不能被充電。這是電路的第一種穩定狀態。按一下電燈開關K,④腳經c2接地為置低電平。和⑤腳電壓比較后,比較器從第②腳輸出高電平,VT飽和導通,繼電器得電,其常開觸點JK吸合,電燈L點亮。
因VT飽和導通,其集電極為低電平,經R4反饋又使④腳在開關K跳開后仍能維持在低電平狀態,比較器鎖定在高電平輸出狀態,此高電平由第②腳經R1向C2快速充電,C2可充到接近+5v(此電壓值可由R3調整),這是電路的第二種穩定狀態。當再次按下開關K時,C2的高電平作用于④腳,又使比較器輸出低電平,vT截止,繼電器失電,電燈L熄滅。同時VT集電極的高電平經R4反饋到④腳,使在開關K跳開后④腳仍能維持在高電平狀態,并使比較器鎖定在低電平輸出。此時電容c2經Rl向②腳快速放電,處于低電平狀態,等待K的再次被按下。電路即如此循環工作,使得每按一次K,電燈即亮或熄一次。

圖9 LM339用作電燈雙穩態開關
元件選擇與調試
D1~D5為1N4002,繼電器為JZC-21F;IC為LM339,K為輕觸開關,RP為22ka可調電阻,C1=220µF,C2=0.01µF,R1=85ka;R2=6.5ka,R3=5.5ka,R4=lka;VT為9013。
本電路需調節RP,使⑤腳電壓低于②腳輸出的高電平。實際調節時可先將RP向下調小,然后適當上調即可。
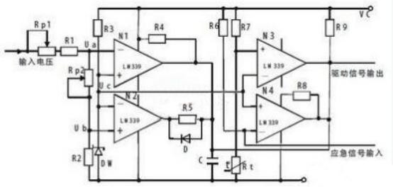
9.綜合保護電路圖
除了電子元器件自身特性之外,溫度也是影響開關電源可靠性的重要因素之一。電源設備可靠性設計技術統計資料表明,電子元器件溫度每升高2℃,可靠性下降 10%;溫升50℃時的壽命只有溫升25℃時的1/6.為了避免開關電源的元器件因過熱造成損壞,在開關電源中設置過熱保護電路也是必要的。
輸入電壓可以由交流電源整流濾波后取得,它表明的是輸入開關電源電壓的變化。調整Rp2可以調節過壓、欠壓動作的電壓閾值。N1欠為壓比較器,當輸入電平(Vc《Va)時,比較器輸出低電平封鎖驅動信號。

圖10 過壓、欠壓、過熱保護電路圖
N2為過壓比較器,當輸入高電平(Vc》Vb)時,比較器輸出的也是低電平,因而驅動信號也被封鎖。當對比的信號電壓Vc位于門限電壓之間(Va《Vc《Vb)時,輸出高電平,開關電源正常工作。圖10所示的電路是利用一個四比較器LM339與幾個分立電子元器件構成的過壓、欠壓、過熱保護電路圖。
電話:18923864027(同微信)
QQ:709211280
〈烜芯微/XXW〉專業制造二極管,三極管,MOS管,橋堆等,20年,工廠直銷省20%,上萬家電路電器生產企業選用,專業的工程師幫您穩定好每一批產品,如果您有遇到什么需要幫助解決的,可以直接聯系下方的聯系號碼或加QQ/微信,由我們的銷售經理給您精準的報價以及產品介紹

