要想知道延時電路是如何實現延時的,我們首先要明確的知道延時電路的工作原理。
延時電路工作原理圖一:精確長延時電路圖
該電路由 CD4060 組成定時器的時基電路,由電路產生的定時時基脈沖,通過內部分頻器分頻后輸出時基信號。在通過外設的分頻電路分頻,取得所需要的定時控制時間。


通電后,時基振蕩器震蕩經過分頻后向外輸出時基信號。作為分頻器的 IC2 開始計數分 頻。當計數到 10 時,Q4 輸出高電平,該高電平經 D1 反相變為低電平使 VT 截止,繼電器 斷電釋放,切斷被控電路工作電源。與此同時, D1 輸出餓低電平經 D2 反相為高電平后加 至 IC2 的 CP 端,使輸出端輸出的高電平保持。
電路通電使 IC1、IC2 復位后,IC2 的四個輸出端,均為低電平。而 Q4 輸出的低電平經 D1 反相變為高電平,通過 R4 使 VT 導通,繼電器通電吸和。這種工作狀態為開機接通、定 時斷開狀態。
延時電路工作原理圖二:rc 延時電路
rc 延時電路如圖所示電路的延時時田可通過 R 或 C 的大小來調整,但由于延時電路簡單,存在著延時時間短和精度不高的缺點。對于需要延時時間較長并且要求準確的場合,應選用時司繼電器為好。


在自動控制中,有時為了便被控對象在規定的某段時間里工作或者使下一個操作指令在適當的時刻發出,往往采用繼電器延時電路。圖給出了幾種繼電器延時電路。圖(a)所示電路為緩放緩吸電路,在電路接通和斷開時,利用 RC 的充放電作用實現吸合及釋放的延時,這種電路主要用在需要短暫延時吸合的場合。有時根據控制的需要,只要求繼電器緩慢釋放,而不允許緩慢吸合,這時可采用圖(b)所示的電路。當剛接通電源時,由于觸點 KK 一 l 為常開狀態,因而 RC 延時電路不會對吸合的時間產生延時的影響,而當繼電器 K。吸合后,其觸點 Kk-1,閉合,使得繼電器 kk 的釋放可緩慢進行。
簡單的計算出 RC 延時電路所產生的時間延時,例如 R=470K,C=0.15UF 時間常數直接用 R*C 就行了
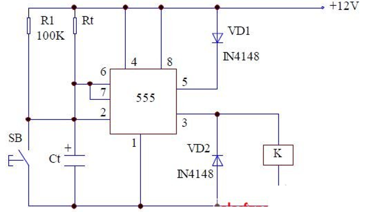
延時電路工作原理圖三:555 構成的簡易長延時電路
當按下按鈕 SB 時,12V 的電源通過電阻器 Rt 向電容器 Ct 充電,使得 6 腳的電位不斷升高,當 6 腳的電位升到 5 腳的電位時,電路復位定時結束。由于在 5 腳串上了一個二極管 VD1 使得 5 腳電位上升,因此比一般接法(懸空或通過小電容接地)具有了更長時間的定時。


延時電路工作原理圖四:由兩個 555 時基電路構成的長延時電路
IC1 555 時基電路接成占空比可調的自激多諧振蕩器。當按下按鈕 SB 后,12V 的直流電壓加到電路中,由于電容器 C6 的電壓不能突變,使得 IC2 電路的 2 腳為低電平,IC2 電路處于置位狀態,3 腳輸出高電平,繼電器 K 得電,觸點 K-1、K-2 閉合,K-1 觸點閉合后形成自鎖狀態,K-2 觸點連接用電設備,達到控制用電設備通、斷的作用。同時 IC1 555 時基電路開始形成振蕩,因此 3 腳交替輸出高、低電平。
當 3 腳輸出高電平時,通過二極管 VD3、電阻器 R3 對電容器 C3 充電。當 3 腳輸出低電平時,二極管 VD3 截止,C3 沒有充電,因此只有在 3 腳為高電平時才對 C3 充電,所以電容器 C3 的充電時間較長。當電容器 C3 的電位升到 2/3VDD 時,IC2 555 時基電路復位,3 腳輸出低電平,繼電器 K 失電,觸點 K-1、K-2 斷開,恢復到初始狀態,為下次定時做好準備。


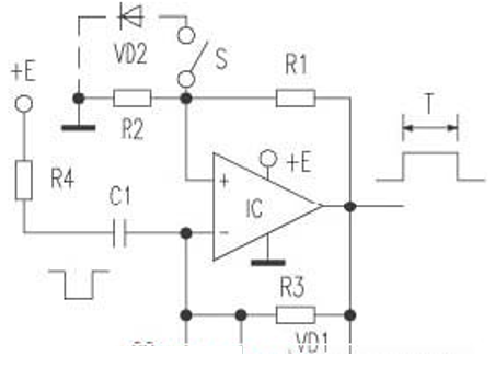
延時電路工作原理圖五:單運放構成的單穩延時電路
常態時,IC 輸出保持低電平,這個狀態是穩定的。當負脈沖經 C1 輸入至反相端時,反相端電位低于同相端電位,輸出端由低電平翻轉為高電平,這個狀態是不穩定的。此高電平經 R1、R2 分壓后加至 IC 的同相端,使同相端電位高于反相端,從而保持高電平輸出。同時,該高電平經 R3 和 C2 充電,當 C2 上電壓被充至使反相端電位高于同相端電位時,其輸出端又翻轉為低電平。此時,同相端電位約為零,而 C2 上的電壓經 VD1 迅速向輸出端放電,使電路加速恢復到初始狀態。電路穩定后反相端電位仍高于同相端電位,使輸出低電平得以保持。


該電路的延時時間 T 不僅取決于 R3、C2,而且還取決于 R1、R2 的分壓比。所以,調節延時時間十分方便,既可調整 C2、R3 進行延時粗調,又可調整 R2 進行細調(分壓比若取 1/2~2/3,延時精度較高)。但是,該電路在上電時的狀態是隨機的,要使該電路上電后有唯一的輸出狀態,有兩種方法:一是在電路中增加 R4. 這樣,在上電時,由于 C1 上電壓不能突變,電源電壓經 R4、C1 加至反相端,即可置輸出于低電平;二是在同相端與地之間接一只二極管 VD2 和一只開關 S(如虛線所示)。上電時如輸出為高電平,雖然這一狀態是不穩定的,但如上所述,要經過時間 T 輸出才為低電平,而實用上往往需要電路上電時即刻復位。為此,可在上電時先將 S 接通,若輸出為高電平,則 C2 充電到 0.7V 即可使電路復位,大大縮短了電路上電復位的時間。復位后將 S 斷開,電路即可正常工作。
延時電路工作原理圖六:晶體管延時電路
延時部分由 BG1、BG2 復合后與電容 C 組成密勒積分電路。電源接通前 C 的端電壓為零,電源接通后 BG3、BG4 導通,繼電器 J 吸合,同時電容 C 被充電,充電電流經 R2、C、R 構成回路,a 點電位上升,引起 b 點電位下降,b 點電位的下降又限制了 a 點電位上升。a、b 兩點電位互相補償的結果使 a 點電位的上升量非常小,充電電流接近似恒定。當 b 點電位上升到 10V 左右時,BG3、BG4 接近截止,繼電器 J 釋放,延時過程結束。按一下按鈕 AN,電容 C 迅速經 D1 放電,繼電器 J 吸合,開始下一個延時過程。

烜芯微專業制造二極管,三極管,MOS管,橋堆等20年,工廠直銷省20%,4000家電路電器生產企業選用,專業的工程師幫您穩定好每一批產品,如果您有遇到什么需要幫助解決的,可以點擊右邊的工程師,或者點擊銷售經理給您精準的報價以及產品介紹

