文中將會介紹TO封裝系列的封裝尺寸及外觀圖,MOSFET芯片在制作完成之后,需要給MOSFET芯片加上一個外殼,即MOS管封裝。MOSFET芯片的外殼具有支撐、保護、冷卻的作用,同時還為芯片提供電氣連接和隔離,以便MOSFET器件與其它元件構成完整的電路。按照安裝在PCB 方式來區分,MOS管封裝主要有兩大類:插入式(Through Hole)和表面貼裝式(Surface Mount)。插入式就是MOSFET的管腳穿過PCB的安裝孔焊接在PCB 上。表面貼裝則是MOSFET的管腳及散熱法蘭焊接在PCB表面的焊盤上。
MOS管作為開關管,已經是開關電源領域的絕對主力器件。它具備輸入端基本不取電流或電流極小,具有輸入阻抗高、噪聲低、熱穩定性好、制造工藝簡單等特點,在大規模和超大規模集成電路中被應用。而因為元件小巧,無法將MOS管屬性詳細地刻畫到產品上,比如極性、封裝形式、腳位排列等。
MOS管TO封裝
MOS管對于整個供電系統而言起著穩壓的作用。目前板卡上所采用的MOS管并不是太多,一般有10個左右,主要原因是大部分MOS管被整合到IC芯片中去了。由于MOS管主要作用是為配件提供穩定的電壓,所以它一般使用在CPU、GPU 和插槽等附近。MOS管一般是以上下兩個組成一組的形式出現板卡上。
MOS管TO封裝規格
MOS管TO封裝,TO(Transistor Out-line)的中文意思是“晶體管外形”。這是早期的封裝規格,例如TO-92,TO-92L,TO-220,TO-252等等都是插入式封裝設計。近年來表面貼裝市場需求量增大,TO封裝也進展到表面貼裝式封裝。
TO252和TO263就是表面貼裝封裝。其中TO-252又稱之為D-PAK,TO-263又稱之為D2PAK。
D-PAK封裝的MOSFET有3個電極,柵極(G)、漏極(D)、源極(S)。其中漏極(D)的引腳被剪斷不用,而是使用背面的散熱板作漏極(D),直接焊接在PCB上,一方面用于輸出大電流,一方面通過PCB散熱。所以PCB的D-PAK焊盤有三處,漏極(D)焊盤較大。
烜芯微科技MOS管TO封裝系列圖片
(一)TO-3P

(二)TO-220

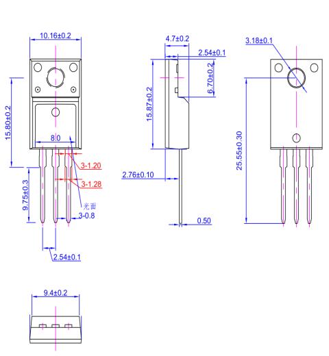
(三)TO-220F

(四)TO-247

(五)TO-251

(六)TO-252

(七)TO-263

烜芯微專業制造二極管,三極管,MOS管,橋堆20年,工廠直銷省20%,1500家電路電器生產企業選用,專業的工程師幫您穩定好每一批產品,如果您有遇到什么需要幫助解決的,可以點擊右邊的工程師,或者點擊銷售經理給您精準的報價以及產品介紹

